Welcome to our Website

Prof. Violetta Borelli
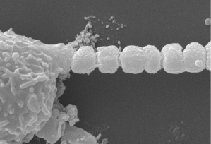
is Researcher in General Pathology at the University of Trieste since 2005. Dr. Violetta Borelli focused on the study of the biological mechanism of the secretory process in phagocytes and mast cells, and on the role of some of the secreted components, the peroxidases, in killing ingested microrganisms. In particular her work has contributed to elucidate the role of human peroxidases in host defence against Mycobacterium tuberculosis. During the last 15 years Dr. Violetta Borelli has devoted to the study of of the pathogenetic activity of asbestos fibers. contributing to elucidate the composition of asbestos bodies coating and their controversial pathogenic potential. In the last years by applying new approaches for genetic screening of the asbestos exposed population, Borelli’s lab identified a genetic variant of the ferroxidase hepahaestin possible involved in individual susceptibility to develop asbestos related neoplasia. The molecular characterization of this hephaestin variant is still in progress. The experience accumulated by Borelli’s lab in the study of the toxicity of asbestos fibers will be now exploited to characterize the biological properties of the products of an experimental plant for the inertization of asbestos recently operational in Friuli Venezia Giulia. Dr. Violetta Borelli is also engaged as representative of the Asbestos Exposed Association of the city of Monfalcone at the Regional Asbestos Commission of the Friuli Venezia Giulia.
OUR RESEARCH
The research program coordinated by Dr. Violetta Borelli is focused on the study of the pathogenetic activity of asbestos fibres. All the activities are organized in the following three main lines of research
New approaches for genetic screening of the asbestos exposed population, aimed at identifying an association between certain genetic polymorphisms and
- individual susceptibility to develop asbestos related neoplasia: pleural mesothelioma, lung cancer and ovarian cancer new
- individual susceptibility in expressing markers of asbestos exposure (asbestos bodies)
- individual susceptibility to developo lung adverse effect to therapy of pleural mesothelioma
Lung iron homeostasis and asbestos induced neoplasia
- Characterization of the accumulation of iron in the lung: asbestos bodies characterization
- Molecular analysis of the ferroxidase hepaestin variants identified by previous genetic screening as protective vs asbestos induced neoplasia
Assessment of the pathogenic potential of asbestos fibers and Materials Containing Asbestos (M.C.A.). after mechano-chemical inactivation new





